wenglor威格勒
Wenglor威格勒流量傳感器FFAF193真品質唯有真,唯有好價格,唯有好服務,才能留得住你,上海銳譽致力為你提供,更好的價格,更好的服務,期待你的咨詢;
FFAF193
產品
流體傳感器
流量傳感器
FFAF193特征
介質溫度 0...60 °C (140 °C 適合24小時無流量測量)
可選測量范圍
同檔次內高級別的精確度同檔次內高級別的精確度
測量不受風向影響
液流與介質溫度之間的顯示屏可變/可移動
wenglor uniflow流量傳感器測量密閉管道系統中含水或含油介質的流速。借助一體顯示屏,能夠輕松操作uniflow流量傳感器。使用清楚可見的切換狀態顯示屏,能夠在進行維護工作時快速固定相關傳感器。
FFAF193傳感器指定數據
測量范圍 15...100 cm/s
設置范圍 20...100 cm/s
介質 油
測量偏差 2 %
切換遲滯 5 %
溫度梯度 30 K
溫度突變響應時間 10 s
環境條件
介質溫度 0...60 °C
環境溫度 -20...70 °C
耐壓強度 60 bar
EMV DIN EN 60947-5-9
沖擊強度 DIN IEC 68-2-27 50 g / 11 ms
耐振性 DIN IEC 60068-2-6 20 g (10...2000 Hz)
電氣數據
供電電壓 16...32 V DC
電流消耗(Ub = 24 V) 60 mA
轉換輸出端數量 1
模擬輸出端 4...20 mA Flow / Temp
響應時間 4...15 s
切換輸出端切換電流 < 250 mA
切換輸出端壓降 < 2 V
電流輸出端負載電阻 < 500 Ohm
抗短路 是
反極性保護 是
防護類別 III
機械數據
調整方式 菜單
外殼材料 PBT; PC; FKM
操作面板材料 聚酯
潤濕的材料 1.4435; 1.4404; FKM
防護等級 IP67 *
接口類型 M12 × 1;4針
流程連接 M 18×1.5密封錐
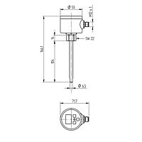
過程連接長度 124 mm
桿長 103,5 mm
安全技術數據
MTTFd (EN ISO 13849-1) 1194,55 a
輸出功能
流量/溫度模擬輸出段(可切換)流量/溫度模擬輸出段(可切換) 是
PNP常閉觸點/常開觸點(可切換) 是
* 經過 wenglor 認證
FFAF193 流量傳感器接線圖:

FFAF193 流量傳感器操作面板

FFAF193 流量傳感器尺寸

- 上一產品:FFAF192流量傳感器感興趣?
- 下一產品:FFAF205流量傳感器內外兼備






